回首頁
|
繁體
|
简体
|
English
關於創煜
最新消息
  • 產品介紹
    • 新產品介紹
    • R+W聯軸器
      • 金屬波紋管聯軸器
      • 微型金屬波紋管
      • 彈性體聯軸器
      • 扭力限制器
      • 長軸型聯軸器
      • 鋼片式聯軸器
      • 鼓型齒輪聯軸器
影片分享
型錄下載
聯絡我們
產品系列:
額定扭力:  ~ 
內徑範圍:  ~ 
調整範圍:  ~ 
外  徑:  ~ 
總 長 度:  ~ 
  
ZA 錐型夾緊軸套/迫緊式

1,500 - 4,000 Nm
 回列表   

特性

● 軸兩端跨度更大距離

● 標準長度高達6公尺

● 中間不需軸承支撐

● 極具直向與側向剛性中型管材質

 

材質

● 波紋管:高等級不鏽鋼

● 中型管:為鋼材,可選購CFK

● 軸套:為鋼材

設計

● 兩個夾緊軸套各帶一單一夾緊螺絲。特殊支撐系統承受軸套上管子的重量。工作溫度範圍從-30°C ~ +120°C



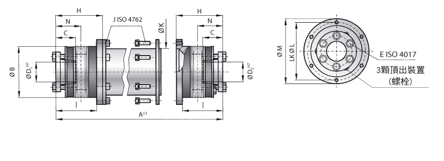
尺寸圖
規格表
訂購範例
關於創煜 | 最新消息 | 產品介紹 | 影片分享 | 下載專區 | 聯絡我們 | 網站地圖
427009台中市潭子區弘勇街95號 TEL:04-25297856 FAX:04-25265583  E-mail:tron.yu@msa.hinet.net , tronyu.sales@gmail.com 
COPYRIGHT® 2015 Tronyu. ALL RIGHTS RESERVED. Design by greatidea.