SK / ES2 / SL附件
扭力限制器


開關在與扭力限制器安裝後均100%測試得性能良好。
近接開關(E=停止功能)
SK
ES2
訂單號碼 650.2703.001
  技術規格   SK, ES2
  電壓   10-30 V DC
  最大輸出電流   200 mA
  最大持續電流   800 Khz
  溫度範圍   -25°C - +70°C
  防護等級   IP 67
  接觸等級   正常斷開的
  最大檢測差距   max. 2 mm
  開關圖表 SK, ES2
SL
訂單號碼 619.4711.650
  技術規格   SL
  電壓   10-30 V DC
  最大輸出電流   200 mA
  最大持續電流   ≤3Khz
  溫度範圍   -25°C - +70°C
  防護等級   IP 67
  接觸等級   PNP, NO
  最大檢測差距   max. 2 mm
  開關圖表 SL
微動開關(E=停止功能)
SK
ES
SL
訂單號碼 618.6740.644
  技術規格   SK, ES2, SL
  最大電壓   250 V AC
  最大持續電流   2.5h A
  防護等級   IP 65
  接觸等級   開啟(強制分離)
  溫度範圍   -30°C - +80°C
  動能   柱塞(金屬)
  開關圖表 SK, ES2, SL
機械微動開關適用於尺寸30及更高者。對於較小的扭力限制器建議用近接感測器。
開關動能(如上與右圖)應置於與驅動圈/微動開關盤越近越好(大約0.1-0.2mm)。
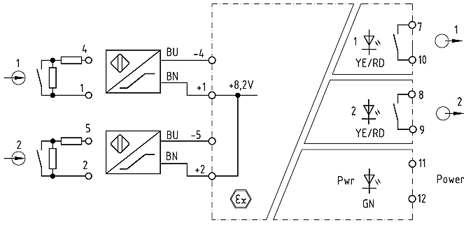
ATEX附件
扭力限制器


開關在與扭力限制器安裝後均100%測試得性能良好。
ATEX機械近接開關(E=停止功能)
SK
ES2
訂單號碼 EEx. 1624.004
  交換器(機)圖
SK / ES2 / SL附件
扭力限制器
R+W 扭力板手
SK
ES2
SL

針對較小聯軸器並不需要扭力板手。尺寸1.5/2/4.5/10扭力調整螺帽很容易用螺絲或栓捎。
訂單號碼
聯軸器尺寸 SK
單一位置
多重位置
負載處理
SK
完全脫離


ES2
單一位置
多重位置
負載處理
ES2
完全脫離


SL
單一位置
多重位置

15 49/4 49/4
20 55/4 55/4
30 55/4 55/4 55/4
60 66/5 66/5 66/5 66/5 66/5
80 82/5 82/5
150 82/5 82/5 82/5 82/5 82/5
200 90/6 98/5
300 114/6 114/6 114/6 114/6 100/6
450 126/8 126/8
500 126/8 126/8
800 134/8 144/8 134/8 144/8
1500 163/8 163/8 163/8 163/8
2500 210/10 226/10
ST 選項/客製化方案
更多可選規格

擠出機應用

‧彈性爪型聯軸器
‧精確的過載保護
‧可拆卸中間部分用於側向安裝



具有高扭轉鋼性圓盤式聯軸器

‧單或雙Flex
‧高扭轉剛性
‧圓盤組由高彈性彈簧鋼製成


不鏽鋼波紋管聯軸器

‧帶夾緊軸套,鍵槽安裝或法蘭安裝
‧補償錯位
‧波紋管由高彈性不銹鋼製成的

適用於高速應用

‧整體球塞系統
‧具有低轉動慣量非常緊湊
‧高速平衡

BUREAU VERITAS認證

‧適用於內陸和海上應用
‧定制解決方案
‧堅固耐用和特殊設計,直接用於船舶動力系統

更多設計可供選擇

‧為1,000,000 Nm和更多
‧客戶的具體解決方案
‧適用於各公司和全部工商業